Depósito de aceite. Máquina: JUNG AM2000 / TM2000
Kit de juntas. TM 2000
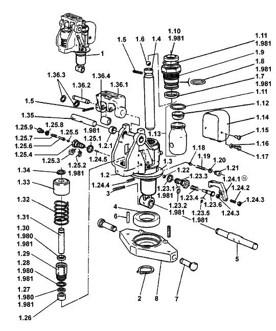
Leva de descenso. Modelo: JUNG AM 2000
Tapón depósito aceite. Máquina: JUNG AM2000 / TM20 Figura 1.12
Válvula de descenso. MIC, JNG. Máquina: TM2000